Air Sampler
 
      Main           Construction           Operation           Schematics & Code           Pollen      Other Projects  



 


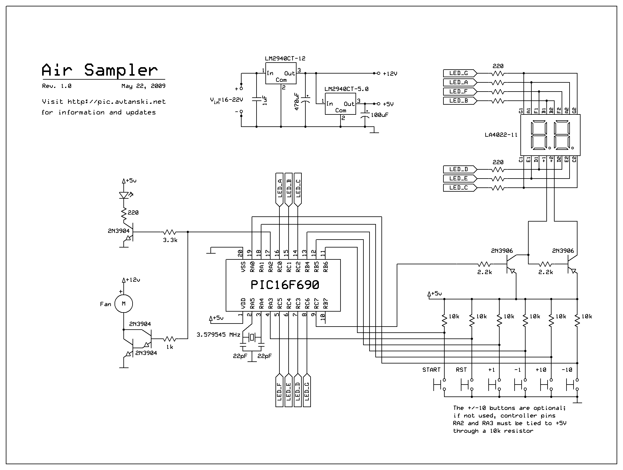
The air sampler is based on my Countdown Timer project, with some minor changes. I power it from a 15V DC adapter and the LM2940CTs are getting quite hot, especially when the fan is running. Putting heatsinks on the voltage regulators is a very good idea, unless you live in Canada.  
Air Samplerv.1.0, 2009/05/05
Complete MPLab Projectsampler.zip
Assembly code onlysampler.asm
Precompiled HEX filesampler.HEX




Click for higher resolution



      Main           Construction           Operation           Schematics & Code           Pollen      Other Projects